SP2637AF/AHF
是一款性能优异的原边反馈控制电路,应用于小功率AC/DC充电器与适配器。控制电路使用原边采样技术进行精确的恒流、恒压控制,可以省去一般应用中的光耦与TL431
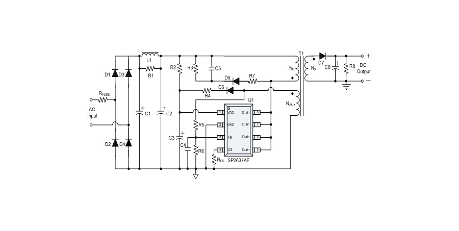
SP2637AF是一款性能优异的原边反馈控制电路,应用于小功率AC/DC充电器与适配器。控制电路使用原边采样技术进行精确的恒流、恒压控制,可以省去一般应用中的光耦与TL431。
在恒流模式下,输出电流可由CS引脚外接的采样电阻RCS设定。在恒压模式下,芯片的多种工作模式可以保证较高的整体转换效率。
此外,芯片内置线缆压降补偿,由此取得良好的负载调整率。SP2637AF在恒流模式下工作于PFM状态,在恒压模式下工作于PWM+PFM状态,轻载时降频工作。SP2637AF工作电流很低,能够实现小于75mW待机功耗的应用方案。
SP2637AF提供全面的保护功能,包括逐周期限流保护(OCP)、VDD过压保护(OVP)、VDD欠压保护(UVLO)、FB过压保护、输出短路保护、输出过压保护、过温保护等。其中,输出短路保护、输出过压保护具有自动重启恢复的功能。
SP2637AF采用SOP8封装。
● 全电压范围内具有很高的恒压精度、恒流精度
● 内置2A/650V功率管
● 使用原边反馈控制,可省去光耦与TL431
● 可调节设定的恒流值与输出功率
● 内置原边反馈恒流控制
● 内建自适应峰值电流控制
● 内建原边电感补偿
● 具有良好的动态响应
● 多模式控制方式提高工作效率
● 全电压范围(85~264V)输入时待机功耗小于75mW
● 内置环路补偿,不需要外置补偿电容
● 超低的启动电流和工作电流
● 可外部调整的线缆压降补偿
● 内置前沿消隐(LEB)功能
● 集成非常全面的保护功能:VDD过压保护、VDD欠压保护、逐周期限流保护、输出短路保护、输出过压保护、过温保护。
● SOP8封装
● 手机、数码相机充电器
● 小功率电源适配器
● AC/DC LED照明驱动
● 替代线性电源
